Page 79 - 国外钢铁技术信息内参(2023年4月)
P. 79
结晶器长度 ᇏݓࣁඋ࿐߶
ᇏݓࣁඋ࿐߶
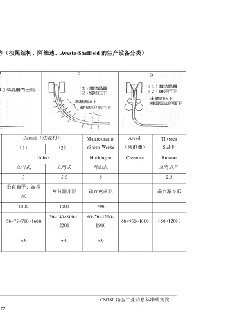
表 5 振动结晶器式薄板坯连铸试验机型分类与主要试验内容(按照纽柯、阿维迪、Avesta-Sheffield 的生产设备分类)
板坯减薄方式
Voesta-Alpine 住友金属 SMS Danieli(达涅利) Mannesmann- Arvedi Thyssen
地点 Stahl(VAI) 鹿岛 Buschhuttem (1) Udine (2) röhren-Werke (阿维迪) Ruhrort
公司名称
1)
Stahl
1 )
Linz(林茨)
Cremona
Buschutten
Huckingen
主 连铸机型式 立弯式 立弯式 立弯式 3 ) 立弯式 立弯式 弯曲式 立弯式 3 )
弯曲半径(m)
1.2
5.5
5
2.3
3
8
3.5
要 结晶器形状 垂直扁平形 垂直扁平形 垂直漏斗形 垂直扁平、漏斗 弯曲漏斗形 垂直弯曲形 垂直漏斗形
形
设 700 900 1100 1100 1000 700
备 ᇏݓࣁඋ࿐߶
铸坯尺寸(厚×宽 30~50×1200~1 30~140×900~1 60~70×1200~
规 80×100~1300 90×120~1000 50~75×700~1600 60×950~1000 (50×1200)
mm) 600 2200 1900
格
铸造速度(最大 3.7 5.0 ᇏݓࣁඋ࿐߶
6.0
6.0
6.0
m/min)
72
CSM 中国金属学会 CMISI 冶金工业信息标准研究院
ᇏݓࣁඋ࿐߶

